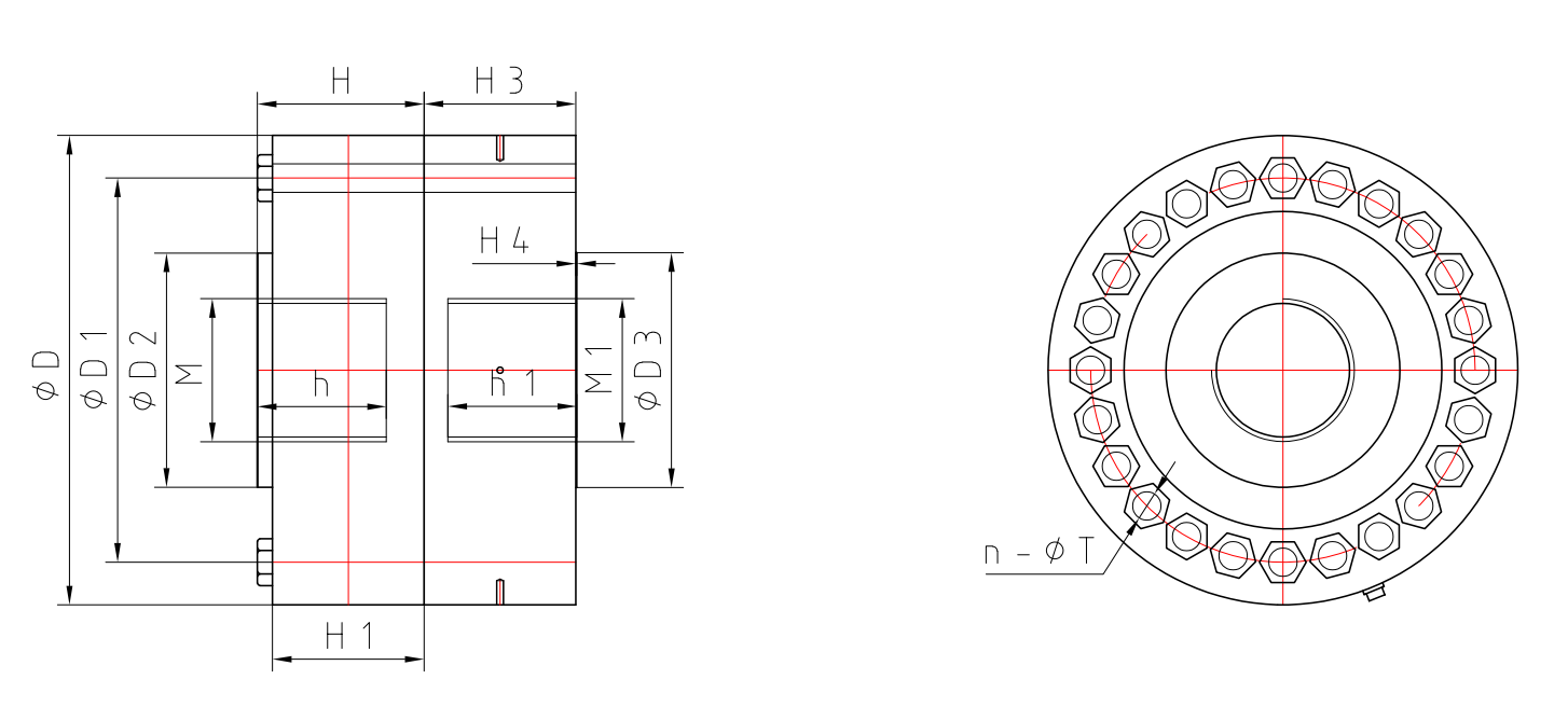
900kN, 1200kN, 1800kN, 2700kN, 4500kN, 9000kN
200klb, 270klb, 400klb, 600klb, 1000klb, 2000klb

|
量程 kN |
|
D |
D1 |
D2 |
D3 |
M |
H |
H1 |
H3 |
H4 |
h |
h1 |
M1 |
n-фT |
|
900 |
mm |
279 |
228.6 |
122.2 |
114.3 |
M72×2-4H |
88.9 |
76.2 |
76.2 |
0.8 |
82.6 |
69.8 |
M72×2-4H |
16×15.5 |
|
1200 |
mm |
279 |
222.2 |
122.2 |
114.3 |
M72×2-4H |
101.6 |
82 |
101.6 |
0.8 |
95.3 |
69.8 |
M72×2-4H |
16×20.1 |
|
1800 |
mm |
304.8 |
241.3 |
144.3 |
152.4 |
M90×3-4H |
114.3 |
108 |
114.3 |
0.8 |
95.3 |
95.3 |
M90×3-4H |
20×20.1 |
|
2700 |
mm |
393.7 |
322.1 |
196.3 |
196.9 |
M120×4-4H |
139.7 |
127 |
127 |
0.8 |
108 |
108 |
M120×4-4H |
24×23.9 |
|
4500 |
mm |
520.7 |
419.1 |
267.9 |
267.9 |
M150×4-4H |
158.8 |
152.4 |
177.8 |
0.8 |
130 |
162 |
M150×4-4H |
28×27 |
|
9000 |
mm |
660.4 |
520.7 |
350.3 |
355.6 |
M200×4-5H |
196.9 |
190.5 |
228.6 |
2.5 |
178 |
184 |
M200×4-5H |
32×33.3 |
|
额定输出 |
4.0mv/v ±0.1%, 2.0mv/v ±0.1% |
绝缘电阻 |
≥5000MΩ |
|
非线性 |
±0.07%F.S (200klb/900kN), |
激励电源 |
10V (maximum 15V) AC/DC |
|
蠕变/30分钟 |
±0.07%F.S (200klb/900kN), |
防护等级 |
IP67 |
|
零点平衡 |
±1%F.S |
安全载荷 |
150 %F.S |
|
输入阻抗 |
385Ω ±15Ω |
极限载荷 |
300 %F.S |
|
输出阻抗 |
350Ω ±3Ω |
工作温度 |
-10℃ ~ +40℃ |
|
可选输出信号 |
4-20mA, 0-10v, 0-5v, -10v ~ +10v |
导线长度 |
5m |

服务热线
微信客服